Home Yaesu – FT-ONE – HF Transceiver – Idea for Battery Backup

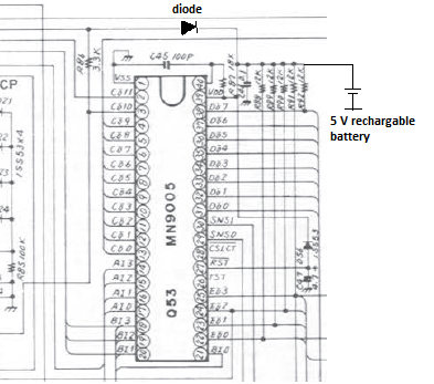
Yaesu – FT-ONE – HF Transceiver – Idea for Battery Backup

by James Sawle
Logo Yaesu Small

1 Page

File Type: png
File Size: 99 KB
Categories: FT-ONE - HF Transceiver, Yaesu
Tags: Ham Radio, HF Transceivers
Logo Yaesu Small